Measuring, Metering, Monitoring, and Analyzing Conventional and Alternative Electrical Energy

We are currently reworking our product catalog, if you can’t find what you are looking for, send a request here or call us at: 412.622.5500

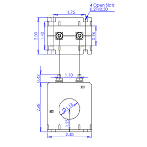
Model 2SFT Current Transformer (5A Output)

2SFT - 5A Output

Request quote for pricing.

Application
Generally used with ammeters.
Window size
1.10” diameters.
Frequency
50-400 Hz.
Insulation Level
600 Volts, 10Kv BIL Full Wave.
Standards
CSA 66.1-06, CSA 66.2-06, IEEE C 57.13, and UL 506.
Terminals
• Terminals are brass. Stud and Female options w/ hardware available.

Add to Quote

Description

The 2SFT Current Transformer is designed for secure installation with pre-drilled mounting holes, ensuring stability in demanding environments. Equipped with male brass terminals, this model offers a robust and reliable electrical connection. Operating at 50-400 Hz, with a 600V insulation level and 10kV BIL, it meets IEEE, UL, and CSA standards, making it ideal for metering and monitoring applications.

Connection type:
T=Male (Brass stud No. 8-32 UNC with one flat washer,one lock washer and one nut each)

Approximate weight 0.5 lbs.