Request quote for pricing.
Application
Generally used with ammeters, watt meters and cross current compensation.
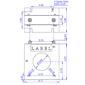
Window size
2.06” diameters.
Frequency
50-400 Hz.
Insulation Level
600 Volts, 10Kv BIL Full Wave.
Standards
CSA 66.1-06, CSA 66.2-06, IEEE C 57.13, and UL 506.
Terminals
• Terminals are brass. Stud and Female options w/ hardware available.
Mounting Brackets Kit Part Number 1121A00025-1
The 6SHY Current Transformer features a square case with mounting holes for secure installation, along with female brass terminals for easy connectivity. Designed for high-precision ammeter applications, it provides accurate current measurement within a frequency range of 50-400 Hz. With a 600V insulation rating and compliance with CSA, IEEE, and UL standards, this model ensures long-term reliability and performance.
Connection type:
Y=Female (Brass with one cup washer,one lock washer and one No. 8-32 UNC binding head screw each)
Approximate weight 1.2 lbs.
Mounting brackets available (part number 1121A00025-1)